QL電磁掛梁起重機
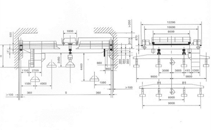
是橋架兩端通過運行裝置直接支撐在高架軌道上的橋架型起重機。它由橋架(包括主梁和端梁)、起重小車、大車運行機構和電氣控制系統等部分組成。起重小車上裝有起升機構和小車運行機構在橋架主梁上沿小車軌道橫向運行;起重機沿廠房或露天貨場的高架軌道縱向運行,其掛梁方向分為與主梁平行和與主梁垂直兩種,并在掛梁下方裝有電磁吸盤,通過電磁吸盤完成物料搬運工作
- 型號: QL型
- 品牌: 恒立源
- 跨度: 可定制
- 起重量: 可定制
- 起升高度: 可定制
是橋架兩端通過運行裝置直接支撐在高架軌道上的橋架型起重機。它由橋架(包括主梁和端梁)、起重小車、大車運行機構和電氣控制系統等部分組成。起重小車上裝有起升機構和小車運行機構在橋架主梁上沿小車軌道橫向運行;起重機沿廠房或露天貨場的高架軌道縱向運行,其掛梁方向分為與主梁平行和與主梁垂直兩種,并在掛梁下方裝有電磁吸盤,通過電磁吸盤完成物料搬運工作
產品介紹:
是橋架兩端通過運行裝置直接支撐在高架軌道上的橋架型起重機。它由橋架(包括主梁和端梁)、起重小車、大車運行機構和電氣控制系統等部分組成。起重小車上裝有起升機構和小車運行機構在橋架主梁上沿小車軌道橫向運行;起重機沿廠房或露天貨場的高架軌道縱向運行,其掛梁方向分為與主梁平行和與主梁垂直兩種,并在掛梁下方裝有電磁吸盤,通過電磁吸盤完成物料搬運工作。
參數:
a.起重量:起重量為5t+5t—20+20t(可根據實際要求定做)
b.跨度:7.5m-34.5m(可根據實際要求定做)
c.起升高度:可根據實際要求定做
d.電源為三相交流、50HZ、380V
e.工作環境溫度-25°C~40°C
用途:
用于鋼廠倉庫,用作搬運鋼板、碎料等
結構優點:

服務:
1. 售前服務:
了解客戶需求,幫助客戶選擇合理的產品。
向客戶提供前期設備安裝前的技術服務。
向客戶提供設備操作、維修、維護人員的廠內前期培訓。
2. 售中服務:
根據合同要求,跟蹤、生產及發貨,保證設備安全完整到達客戶指定地點。
提供設備安裝前期安裝所需各種技術參數。
3. 售后服務:
按合同貨客戶約定時間進行設備安裝、調試、維修.。
根據客戶需求,提供現場培訓。
接待處理客戶對產品質量、服務質量的投訴,快速到達現場解決問題。
建立設備用戶檔案,每臺設備的安裝、調試、維修記錄全部存檔,保存。保證每個客戶的每臺產品具有服務的可追塑性及向客戶對每臺設備保養提供技術支持。
不定期進行客戶回訪,采集客戶對產品及服務的意見和建議并及時改進。
各服務站由售后服務站統一調配,保證服務的及時性,有效性。